网站地图 XML

服务热线:

4000567538
当前位置:首页 > > 产品展示 > CZ、IH、SPP、UHB-ZK、ZA(O)、AF(B)、FSB(L)系列化工离心泵/SMC水膜除尘器

CZ、IH、SPP、UHB-ZK、ZA(O)、AF(B)、FSB(L)系列化工离心泵/SMC水膜除尘器

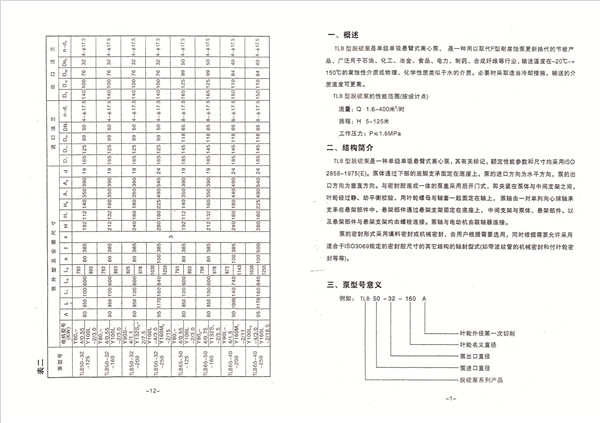
TLB型脱硫泵

TLB型脱硫泵
TLB型脱硫泵
  • TLB型脱硫泵
  • 【产品名称】
    TLB型脱硫泵
  • 【点击次数】
     次
详细说明

相关标签:TLB型脱硫泵
Copyright©2025 Sdluxin.com 山东鲁鑫泵业有限公司 All Rights Reserved
鲁ICP备19057313号-1     鲁公网安备 37091102000475号         技术支持:飞讯网络